新闻资讯 /news center
当前位置:首页 > 新闻资讯 > 行业动态
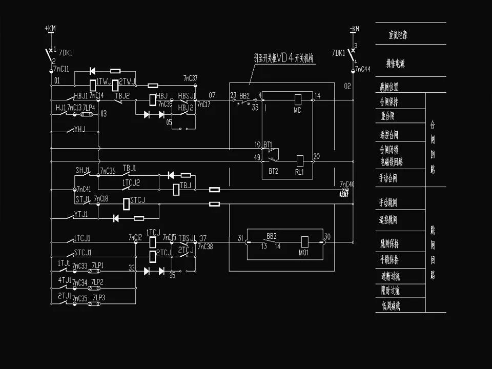
高压配电室常见故障与处理
点击:1153 添加时间:2020-04-16 来源:网络
- 地址:信阳市羊山新区新七大道龙飞山城二期.天玺7号楼9层
- 联系电话:0376-6278889 0376-6177919
- 公司邮箱: info@zhenhuadl.onaliyun.com
- 商务部邮箱:commerce@zhenhuadl.onaliyun.com
- 财务部邮箱:finance@zhenhuadl.onaliyun.com
- 人力资源部:HR@zhenhuadl.onaliyun.com